网站首页
关于我们
公司简介
企业文化
公司荣誉
品牌历程
新闻资讯
公司新闻
行业新闻
产品中心
精密行星系列减速机
精密伺服系列转向器
螺旋斜齿系列减速机
蜗轮蜗杆系列减速机
中空旋转平台减速机
减速机、自动化机械配件
应用范围
塑料机械
食品加工
汽车制造
陶瓷
起重运输
服务支持
服务承诺
常见问题
维保服务
投诉及维修
下载中心
电子样册
图纸下载
联系我们
联系我们
留言反馈
产品中心
精密行星系列减速机
精密伺服系列转向器
螺旋斜齿系列减速机
蜗轮蜗杆系列减速机
中空旋转平台减速机
减速机、自动化机械配件
KMBR系列精密减速机
产品分类:精密款(斜齿类)
产品描述:斜齿型结构精密减速机.高转矩高刚性高精度输出(高效率 低噪音)低背隙.定位精度高
产品规格:060 090 115 142 180 220
产品背隙:P2:标准背隙
P1:精密背隙
单段速比:3-10 双段速比:10-100
服务热线:
15618278875
技术选型:
17317384002
型号说明
技术参数
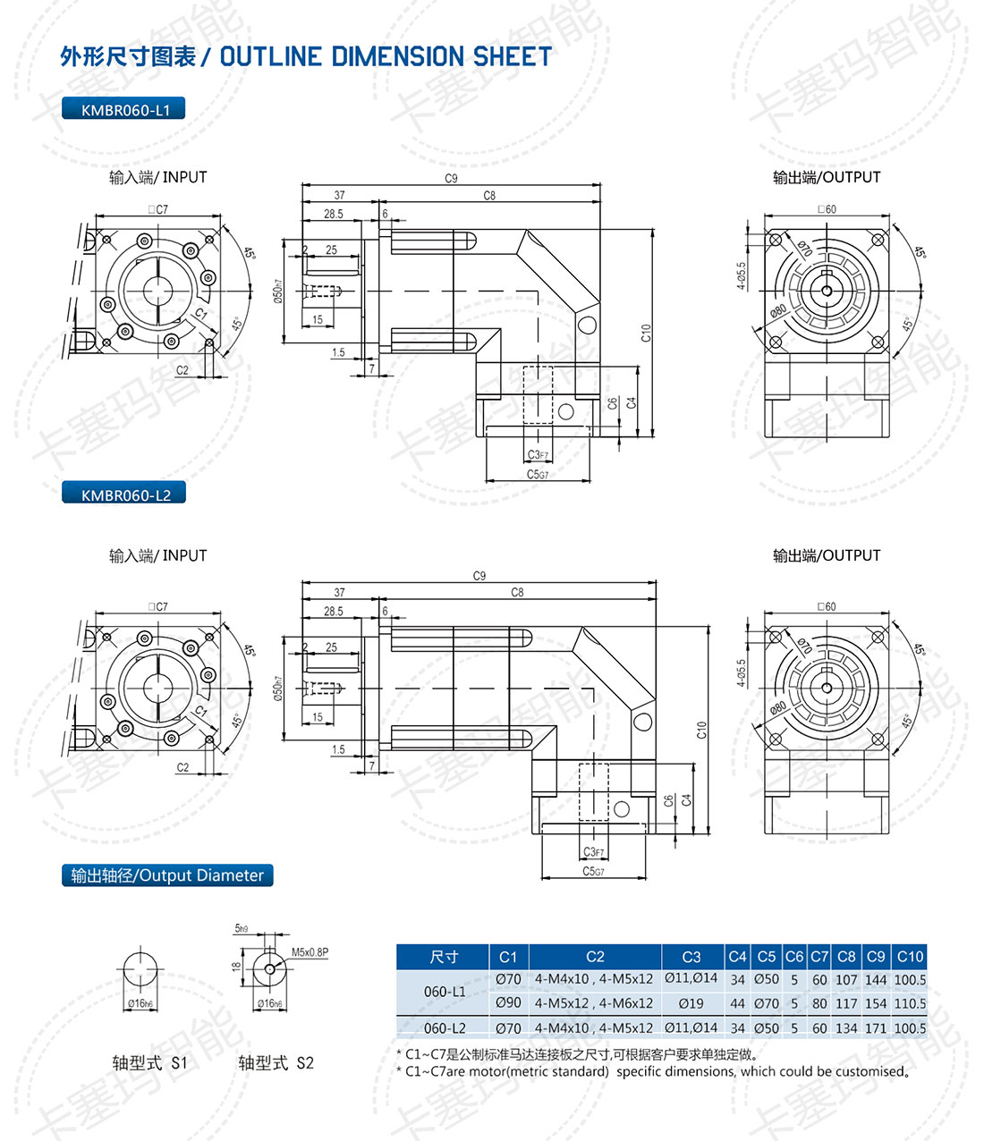
外形尺寸
安装说明
上一篇:
KMB系列精密减速机
下一篇:
KMF系列精密减速机